Vidalı kapaklı kılavuz eyeri Gaz geçirmez alt kısım vidalanabilir Enjeksiyon kalıplı Elektro füzyon PE 100-RC siyah
Vidalı kapaklı kılavuz eyeri Gaz geçirmez alt kısım vidalanabilir Enjeksiyon kalıplı Elektro füzyon PE 100-RC siyah
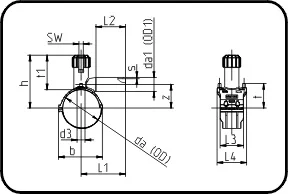
| Boyut | Kod | Detay | Ağırlık | da(OD) mm | da1(OD1) mm | s mm | z mm | L1 mm | L2 mm | L3 mm | d3 mm | h mm |
|---|---|---|---|---|---|---|---|---|---|---|---|---|
| 40/20 | 70.278.4020.11 | 40/20 SDR11 ISO S-5 | 0.173 | 40 | 20 | 3 | 36 | 100 | 78 | 70 | 16 | 103 |
| 40/32 | 70.278.4032.11 | 40/32 SDR11 ISO S-5 | 0.189 | 40 | 32 | 3 | 36 | 110 | 89 | 70 | 16 | 103 |
| 63/20 | 70.278.6320.11 | 63/20 SDR11 ISO S-5 | 0.540 | 63 | 20 | 3 | 60 | 120 | 78 | 102 | 26 | 169,5 |
| 63/25 | 70.278.6325.11 | 63/25 SDR11 ISO S-5 | 0.560 | 63 | 25 | 3 | 58 | 120 | 89 | 102 | 26 | 169,5 |
| 63/32 | 70.278.6332.11 | 63/32 SDR11 ISO S-5 | 0.545 | 63 | 32 | 3 | 57 | 129 | 92 | 102 | 26 | 169,5 |
| 63/63 | 70.278.6363.11 | 63/63 SDR11 ISO S-5 | 0.690 | 63 | 63 | 5,8 | 60 | 178 | 130 | 102 | 26 | 169,5 |
| 90/32 | 70.278.9032.11 | 90/32 SDR 17 - 11 | 0.757 | 90 | 32 | 3 | 67 | 130 | 92 | 103 | 32 | 196,5 |
| 90/63 | 70.278.9063.11 | 90/63 SDR 17 - 11 | 0.616 | 90 | 63 | 5,8 | 67 | 184 | 130 | 103 | 32 | 196,5 |
| 110/20 | 70.278.1120.11 | 110/20 SDR 17 - 11 | 0.812 | 110 | 20 | 3 | 76 | 120 | 78 | 103 | 32 | 206,5 |
| 110/25 | 70.278.1125.11 | 110/25 SDR 17 - 11 | 0.800 | 110 | 25 | 3 | 76 | 125 | 89 | 103 | 32 | 206,5 |
| 110/32 | 70.278.1132.11 | 110/32 SDR 17 - 11 | 0.800 | 110 | 32 | 3 | 76 | 131 | 95 | 103 | 32 | 206,5 |
| 110/40 | 70.278.1140.11 | 110/40 SDR 17 - 11 | 0.834 | 110 | 40 | 3,7 | 76 | 151 | 102 | 103 | 32 | 206,5 |
| 110/63 | 70.278.1163.11 | 110/63 SDR 17 - 11 | 0.945 | 110 | 63 | 5,8 | 82,5 | 185 | 130 | 103 | 32 | 206,5 |
| 125/25 | 70.278.1225.11 | 125/25 SDR 17 - 11 | 0.704 | 125 | 25 | 3 | 82 | 125 | 89 | 103 | 32 | 214 |
| 125/32 | 70.278.1232.11 | 125/32 SDR 17 - 11 | 0.820 | 125 | 32 | 3 | 82 | 131 | 95 | 103 | 32 | 214 |
| 125/63 | 70.278.1263.11 | 125/63 SDR 17 - 11 | 0.932 | 125 | 63 | 5,8 | 82 | 185 | 130 | 103 | 32 | 214 |
| 160/32 | 70.278.1632.11 | 160/32 SDR 17 - 11 | 0.890 | 160 | 32 | 3 | 99 | 130 | 92 | 103 | 32 | 231,5 |
| 160/63 | 70.278.1663.11 | 160/63 SDR 17 - 11 | 1.020 | 160 | 63 | 5,8 | 102,5 | 198 | 130 | 103 | 32 | 231,5 |
| 180/32 | 70.278.1832.11 | 180/32 SDR 17 - 11 | 0.630 | 180 | 32 | 3 | 115 | 130 | 95 | 102 | 32 | 241,5 |
| 180/63 | 70.278.1863.11 | 180/63 SDR 17 - 11 | 1.070 | 180 | 63 | 5,8 | 115 | 198 | 130 | 103 | 32 | 241,5 |
| 200/32 | 70.278.2032.11 | 200/32 SDR 17 - 11 | 0.970 | 200 | 32 | 3 | 118 | 130 | 95 | 102 | 32 | 251,5 |
| 200/63 | 70.278.2063.11 | 200/63 SDR 17 - 11 | 1.120 | 200 | 63 | 5,8 | 122 | 198 | 130 | 102 | 32 | 251,5 |
| 225/32 | 70.278.2232.11 | 225/32 SDR 17 - 11 | 1.128 | 225 | 32 | 3 | 138,5 | 130 | 92 | 102 | 32 | 297 |
| 225/63 | 70.278.2263.11 | 225/63 SDR 17 - 11 | 1.296 | 225 | 63 | 5,8 | 138,5 | 207 | 130 | 102 | 32 | 297 |
| 250/63 | 70.278.2563.11 | 250/63 SDR 17 - 11 | 1.296 | 250 | 63 | 5,8 | 151 | 207 | 130 | 102 | 32 | 297 |
| 315/63 | 70.278.3163.11 | 315/63 SDR 17 - 11 | 1.277 | 315 | 63 | 5,8 | 181,5 | 215 | 130 | 104 | 32 | 342 |