Diyafram Vana manuel kontrollü EPDM/PTFE diyafram Bağlantı PVDF UHP doğal
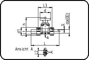
| Boyut | Kod | Detay | Ağırlık | da(OD) mm | s mm | L mm | L1 mm | L2 mm | L3 mm | d mm | d1 mm | h mm |
|---|---|---|---|---|---|---|---|---|---|---|---|---|
| 20 | 35.340.0020.21 | 20 - SDR21 MOP 10 bar | 0.600 | 20 | 1,9 | 198 | 16,5 | 24,5 | 90 | 86 | 47,5 | 100 |
| 25 | 35.340.0025.21 | 25 - SDR21 MOP 10 bar | 0.625 | 25 | 1,9 | 222 | 16,5 | 24,5 | 108 | 86 | 58 | 100 |
| 32 | 35.340.0032.21 | 32 - SDR21 MOP 10 bar | 0.918 | 32 | 2,4 | 236 | 20,1 | 24,5 | 116 | 86 | 65 | 107 |
| 40 | 35.340.0040.21 | 40 - SDR21 MOP 10 bar | 1.855 | 40 | 2,4 | 260 | 25,5 | 44 | 134 | 136 | 79 | 144 |
| 50 | 35.340.0050.21 | 50 - SDR21 MOP 10 bar | 2.127 | 50 | 3 | 286 | 32 | 44 | 154 | 136 | 90 | 144 |
| 63 | 35.340.0063.21 | 63 - SDR21 MOP 10 bar | 3.207 | 63 | 3 | 322 | 38,5 | 44 | 184 | 136 | 110 | 170 |