Diyafram Vana manuel kontrollü EPDM diyafram kaynaklı Flanş bağlantısı DIN PP gri
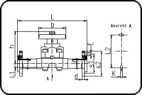
| Boyut | Kod | Detay | Ağırlık | da(OD) mm | s1 mm | s2 mm | L mm | L1 mm | L2 mm | d mm | h mm |
|---|---|---|---|---|---|---|---|---|---|---|---|
| 20 | 11.242.1420.11 | 20 - MOP 10 bar | 0.947 | 20 | 65 | 95 | 220 | 17 | 24,3 | 12 | 100 |
| 25 | 11.242.1425.11 | 25 - MOP 10 bar | 1.111 | 25 | 75 | 108 | 240 | 17 | 24,3 | 12 | 100 |
| 32 | 11.242.1432.11 | 32 - MOP 10 bar | 1.455 | 32 | 85 | 115 | 250 | 21 | 24,3 | 16 | 107 |
| 75 | 11.242.1475.11 | 75 - MOP 10 bar | 7.740 | 75 | 145 | 187 | 380 | 25 | 230 | 18 | 254 |