Poly-Flo Saplama Flanşı O-Ring için Akış + Oluk EPDM O-Ringler dahil İşlenmiş Eşzamanlı + Kademeli Kaynak PPR gri
Poly-Flo Saplama Flanşı O-Ring için Akış + Oluk EPDM O-Ringler dahil İşlenmiş Eşzamanlı + Kademeli Kaynak PPR gri
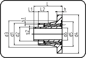
| Boyut | Kod | Detay | Ağırlık | s1 mm | s2 mm | L mm | L1 mm | L2 mm | d1 mm | d2 mm | d3 mm | d4 mm | h mm |
|---|---|---|---|---|---|---|---|---|---|---|---|---|---|
| 50/32 | 11.194.5034.71 | 50/32 SDR17/11 | 0.115 | 3 | 3 | 65 | 10 | 23 | 50 | 32 | 61 | 88 | 12 |
| 90/63 | 11.194.9065.71 | 90/63 SDR17/11 | 0.368 | 5,4 | 5,8 | 72 | 10 | 25 | 90 | 63 | 105 | 138 | 17 |
| 160/110 | 11.194.1613.71 | 160/110 SDR17/11 | 1.500 | 9,5 | 10 | 104 | 10 | 39 | 160 | 110 | 175 | 212 | 25 |