Restrained Fitting machined Butt + IR-welding PVDF UHP natural
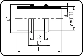
| Size | Code | Detail | Weight | da(OD) mm | s mm | L mm | L1 mm | L2 mm | d1 mm |
|---|---|---|---|---|---|---|---|---|---|
| 25 | 35.301.0025.21 | 25x1,9 SDR 21/ISO-S10 | 0.050 | 25 | 1,9 | 120 | 68 | 33 | 33 |
| 40 | 35.301.0040.21 | 40X2,4 SDR 21/ISO-S10 | 0.074 | 40 | 2,4 | 120 | 68 | 33 | 48 |
| 50 | 35.301.0050.21 | 50x3,0 SDR 21/ISO-S10 | 0.133 | 50 | 3 | 120 | 68 | 33 | 58 |
| 75 | 35.301.0075.21 | 75X3,6 SDR 21/ISO-S10 | 0.338 | 75 | 3,6 | 150 | 75 | 40,5 | 87 |