Code: 342.15

Diaphragm Valve manually controlled EPDM/PTFE diaphragm Butt + IR-welding PP Pure grey

products/342.15-2.webp

Diaphragm Valve manually controlled EPDM/PTFE diaphragm Butt + IR-welding PP Pure grey

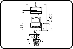
Size Code Detail Weight da(OD) mm s mm L mm L1 mm L2 mm L3 mm h mm
20 72.342.1520.11 20 - SDR11 ISO S-5 0.451 20 1,9 133 16,5 24,5 0 100
25 72.342.1525.11 25 - SDR11 ISO S-5 0.454 25 2,3 144 16,5 24,5 0 100
32 72.342.1532.11 32 - SDR11 ISO S-5 0.649 32 2,9 154 20,5 24,5 0 107
40 72.342.1540.11 40 - SDR11 ISO S-5 1.414 40 3,7 193 25,5 44 0 144
50 72.342.1550.11 50 - SDR11 ISO S-5 1.464 50 4,6 194 32 44 0 144
63 72.342.1563.11 63 - SDR11 ISO S-5 2.259 63 5,8 224 38,5 44 0 170
75 72.342.1575.11 75 - SDR11 ISO S-5 5.139 75 6,8 284 25 230 0 254
90 72.342.1590.11 90 - SDR11 ISO S-5 5.216 90 8,2 300 25 230 0 254
110 72.342.1511.11 110 - SDR11 ISO S-5 9.920 110 10 340 25 280 85 320