High pressure flange ANSI PN20 incl. sealing + backing ring and centerring drilled ANSI CL150 Butt-welding PE 100-RC black
High pressure flange ANSI PN20 incl. sealing + backing ring and centerring drilled ANSI CL150 Butt-welding PE 100-RC black
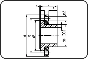
| Size | Code | Detail | Weight | da(OD) mm | s mm | L mm | L3 mm | d mm | d2 mm | d4 mm | h mm |
|---|---|---|---|---|---|---|---|---|---|---|---|
| 63 | 70.294.0063.09 | 63x7,1 SDR9 ISO S-4 | 2.210 | 63 | 7,1 | 95 | 60,5 | 150 | 19 | 100,4 | 17 |
| 75 | 70.294.0075.09 | 75x8,4 SDR9 ISO S-4 | 3.420 | 75 | 8,4 | 105 | 64,3 | 180 | 19 | 117 | 20 |
| 90 | 70.294.0090.09 | 90x10,1 SDR9 ISO S-4 | 4.000 | 90 | 10,1 | 105 | 61,7 | 190 | 19 | 132,4 | 21 |
| 110 | 70.294.0110.09 | 110x12,3 SDR9 ISO S-4 | 6.000 | 110 | 12,3 | 105 | 60,7 | 230 | 19 | 170,5 | 22 |
| 125 | 70.294.0125.09 | 125x14,0 SDR9 ISO S-4 | 5.220 | 125 | 14 | 115 | 62,7 | 230 | 19 | 170,5 | 30 |
| 140 | 70.294.0140.09 | 140x15,7 SDR9 ISO S-4 | 6.540 | 140 | 15,7 | 115 | 62,7 | 255 | 22,5 | 188,4 | 30 |
| 160 | 70.294.0160.09 | 160x17,9 SDR9 ISO S-4 | 8.900 | 160 | 17,9 | 115 | 61,1 | 280 | 22,5 | 219,6 | 30 |
| 180 | 70.294.0180.09 | 180x20,1 SDR9 ISO S-4 | 7.330 | 180 | 20,1 | 115 | 61,1 | 280 | 22,5 | 219,6 | 30 |
| 200 | 70.294.0200.09 | 200x22,4 SDR9 ISO S-4 | 15.500 | 200 | 22,4 | 130 | 64 | 345 | 22,5 | 276,5 | 39 |
| 225 | 70.294.0225.09 | 225x25,2 SDR9 ISO S-4 | 13.600 | 225 | 25,2 | 130 | 64 | 345 | 22,5 | 276,5 | 39 |
| 250 | 70.294.0250.09 | 250x27,9 SDR9 ISO S-4 | 22.500 | 250 | 27,9 | 140 | 61,4 | 405 | 25,5 | 337 | 50 |
| 280 | 70.294.0280.09 | 280x31,3 SDR9 ISO S-4 | 18.800 | 280 | 31,3 | 140 | 61,4 | 405 | 25,5 | 337 | 50 |
| 315 | 70.294.0315.09 | 315x35,2 SDR9 ISO S-4 | 33.400 | 315 | 35,2 | 190 | 102,8 | 485 | 25,5 | 406 | 57 |
| 355 | 70.294.0355.09 | 355x39,7 SDR9 ISO S-4 | 42.500 | 355 | 39,7 | 200 | 103,6 | 535 | 29 | 445 | 63 |
| 400 | 70.294.0400.09 | 400x44,7 SDR9 ISO S-4 | 54.800 | 400 | 44,7 | 205 | 100 | 595 | 29 | 510 | 70 |
| 450 | 70.294.0450.09 | 450x50,3 SDR9 ISO S-4 | 61.670 | 450 | 50,3 | 225 | 103,9 | 635 | 32 | 545 | 83 |
| 500 | 70.294.0500.09 | 500x55,8 SDR9 ISO S-4 | 78.630 | 500 | 55,8 | 230 | 102,7 | 700 | 32 | 600 | 86 |
| 560 | 70.294.0560.09 | 560X62,5 SDR9 ISO S-4 | 86.300 | 560 | 62,5 | 235 | 100,5 | 750 | 35 | 655 | 90 |
| 630 | 70.294.0630.09 | 630X70 SDR9 ISO S-4 | 102.000 | 630 | 70,3 | 237 | 100,9 | 815 | 35 | 709 | 90 |