Code: 362

Special Flange DIN short hot-dip galvan. backing ring and EPDM O-ring machined/drilled PN10/16 Butt-welding PE 100-RC black

products/362-2.webp

Special Flange DIN short hot-dip galvan. backing ring and EPDM O-ring machined/drilled PN10/16 Butt-welding PE 100-RC black

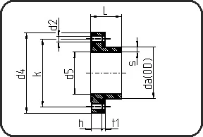
Size Code Detail Weight da(OD) mm s mm L mm d2 mm d4 mm h mm
160/DN125 70.362.0160.11 160X14,6 SDR11 / DN125 3.620 160 14,6 95 18 250 33
180/DN125 70.362.0180.11 180X16,4 SDR11 / DN125 3.360 180 16,4 100 18 250 38
200/DN150 70.362.0200.11 200X18,2 SDR11 / DN150 4.620 200 18,2 102 22 285 40