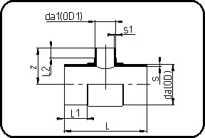
Tee reduced short spigot injection moulded Butt-welding PE 100-RC black
| Size | Code | Detail | Weight | da(OD) mm | da1(OD1) mm | s mm | s1 mm | z mm | L mm | L1 mm | L2 mm |
|---|---|---|---|---|---|---|---|---|---|---|---|
| 125/63 | 70.016.1263.11 | 125/63 SDR11 ISO S-5 | 1.420 | 125 | 63 | 11,4 | 5,8 | 112 | 275 | 75 | 31 |
| 140/63 | 70.016.1463.11 | 140/63 SDR11 ISO S-5 | 1.880 | 140 | 63 | 12,7 | 5,8 | 120 | 302 | 87 | 32 |
| 140/75 | 70.016.1475.11 | 140/75 SDR11 ISO S-5 | 1.850 | 140 | 75 | 12,7 | 6,8 | 130 | 302 | 87 | 35 |
| 140/90 | 70.016.1490.11 | 140/90 SDR11 ISO S-5 | 1.967 | 140 | 90 | 12,7 | 8,2 | 130 | 305 | 88 | 42 |
| 140/110 | 70.016.1411.11 | 140/110 SDR11 ISO S-5 | 2.280 | 140 | 110 | 12,7 | 10 | 141 | 305 | 54 | 47 |
| 160/125 | 70.016.1612.11 | 160/125 SDR11 ISO S-5 | 2.820 | 160 | 125 | 14,6 | 11,4 | 150 | 325 | 62 | 52 |
| 180/63 | 70.016.1863.11 | 180/63 SDR11 ISO S-5 | 3.160 | 180 | 63 | 16,4 | 5,8 | 139 | 358 | 132 | 32 |
| 180/75 | 70.016.1875.11 | 180/75 SDR11 ISO S-5 | 3.180 | 180 | 75 | 16,4 | 6,8 | 144 | 362 | 119 | 31 |
| 180/125 | 70.016.1812.11 | 180/125 SDR11 ISO S-5 | 3.360 | 180 | 125 | 16,4 | 11,4 | 166 | 362 | 100 | 52 |
| 225/125 | 70.016.2212.11 | 225/125 SDR11 ISO S-5 | 6.400 | 225 | 125 | 20,5 | 11,4 | 178 | 456 | 143 | 45 |