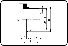
Stub Flange ANSI short spigot injection moulded Butt-welding PE 100-RC black
| Size | Code | Detail | Weight | da(OD) mm | s mm | L mm | L3 mm | d3 mm | d4 mm | h mm |
|---|---|---|---|---|---|---|---|---|---|---|
| 63 | 70.012.1063.11 | 63X5,8 SDR11 ISO S-5 | 0.125 | 63 | 5,8 | 50 | 20 | 75 | 100,4 | 14 |
| 75 | 70.012.1075.11 | 75X6,8 SDR11 ISO S-5 | 0.188 | 75 | 6,8 | 50,5 | 18 | 89 | 117 | 16 |
| 90 | 70.012.1090.11 | 90X8,2 SDR11 ISO S-5 | 0.320 | 90 | 8,2 | 80 | 40 | 105 | 132,4 | 17 |
| 110 | 70.012.1110.11 | 110X10,0 SDR11 ISO S-5 | 0.469 | 110 | 10 | 80 | 38 | 125 | 158 | 18 |
| 125 | 70.012.1125.11 | 125X11,4 SDR11 ISO S-5 | 0.515 | 125 | 11,4 | 80 | 38 | 132 | 158 | 25 |
| 140 | 70.012.1140.11 | 140X12,7 SDR11 ISO S-5 | 0.817 | 140 | 12,7 | 92 | 37 | 155 | 188 | 25 |
| 160 | 70.012.1160.11 | 160X14,6 SDR11 ISO S-5 | 1.020 | 160 | 14,6 | 92 | 38 | 175 | 212 | 25 |
| 200 | 70.012.1200.11 | 200X18,2 SDR11 ISO S-5 | 2.180 | 200 | 18,2 | 114 | 40 | 232 | 268 | 32 |
| 225 | 70.012.1225.11 | 225X20,5 SDR11 ISO S-5 | 2.080 | 225 | 20,5 | 113 | 52 | 235 | 268 | 32 |
| 250 | 70.012.1250.11 | 250X22,7 SDR11 ISO S-5 | 3.560 | 250 | 22,7 | 130 | 58 | 285 | 320 | 35 |
| 280 | 70.012.1280.11 | 280X25,4 SDR11 ISO S-5 | 3.400 | 280 | 25,4 | 128 | 58 | 288 | 320 | 35 |
| 315 | 70.012.1315.11 | 315X28,6 SDR11 ISO S-5 | 4.920 | 315 | 28,6 | 136 | 65 | 335 | 370 | 35 |
| 355 | 70.012.1355.11 | 355X32,2 SDR11 ISO S-5 | 7.000 | 355 | 32,2 | 150 | 70 | 373 | 436 | 40 |
| 400 | 70.012.1400.11 | 400X36,3 SDR11 ISO S-5 | 9.040 | 400 | 36,3 | 155 | 69 | 427 | 493 | 46 |
| 450 | 70.012.1450.11 | 450X40,9 SDR11 ISO S-5 18" | 14.200 | 450 | 40,9 | 166 | 63 | 468 | 545 | 60 |
| 500 | 70.012.1500.11 | 500X45,4 SDR11 ISO S-5 | 15.610 | 500 | 45,4 | 175 | 70 | 530 | 592 | 60 |
| 560 | 70.012.1560.11 | 560X50,8 SDR11 ISO S-5 | 20.800 | 560 | 50,8 | 180 | 70 | 615 | 655 | 60 |
| 630 | 70.012.1630.11 | 630X57,2 SDR11 ISO S-5 | 22.100 | 630 | 57,2 | 175 | 86 | 642 | 697 | 60 |