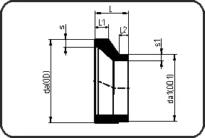
Reducer excentric short spigot machined Butt-welding PE 100-RC black
| Size | Code | Detail | Weight | da(OD) mm | da1(OD1) mm | s mm | s1 mm | L mm | L1 mm | L2 mm |
|---|---|---|---|---|---|---|---|---|---|---|
| 400/250 | 70.319.4025.17 | 400/250 SDR17 ISO S-8 | 7.310 | 400 | 250 | 23,7 | 14,8 | 230 | 100 | 50 |
| 400/280 | 70.319.4028.17 | 400/280 SDR17 ISO S-8 | 5.870 | 400 | 280 | 23,7 | 16,6 | 200 | 79 | 50 |
| 400/315 | 70.319.4031.17 | 400/315 SDR17 ISO S-8 | 7.000 | 400 | 315 | 23,7 | 18,7 | 185 | 76 | 50 |
| 400/355 | 70.319.4035.17 | 400/355 SDR17 ISO S-8 | 5.300 | 400 | 355 | 23,7 | 21,1 | 160 | 83 | 50 |
| 450/315 | 70.319.4531.17 | 450/315 SDR17 ISO S-8 | 9.400 | 450 | 315 | 26,7 | 18,7 | 230 | 90 | 50 |
| 450/355 | 70.319.4535.17 | 450/355 SDR17 ISO S-8 | 9.200 | 450 | 355 | 26,7 | 21,1 | 190 | 82 | 50 |
| 450/400 | 70.319.4540.17 | 450/400 SDR17 ISO S-8 | 7.600 | 450 | 400 | 26,7 | 23,7 | 180 | 96 | 50 |
| 500/315 | 70.319.5031.17 | 500/315 SDR17 ISO S-8 | 18.600 | 500 | 315 | 29,7 | 18,7 | 270 | 113 | 50 |
| 500/355 | 70.319.5035.17 | 500/355 SDR17 ISO S-8 | 11.600 | 500 | 355 | 29,7 | 21,1 | 290 | 122 | 50 |
| 500/400 | 70.319.5040.17 | 500/400 SDR17 ISO S-8 | 10.700 | 500 | 400 | 29,7 | 23,7 | 200 | 94 | 50 |
| 500/450 | 70.319.5045.17 | 500/450 SDR17 ISO S-8 | 6.800 | 500 | 450 | 29,7 | 26,7 | 150 | 122 | 50 |
| 560/400 | 70.319.5640.17 | 560/400 SDR17 ISO S-8 | 18.000 | 560 | 400 | 33,2 | 23,7 | 270 | 70 | 50 |
| 560/450 | 70.319.5645.17 | 560/450 SDR17 ISO S-8 | 14.000 | 560 | 450 | 33,2 | 26,7 | 223 | 101 | 50 |
| 630/315 | 70.319.6331.17 | 630/315 SDR17 ISO S-8 | 57.810 | 630 | 315 | 37,4 | 18,7 | 390 | 164 | 50 |
| 630/450 | 70.319.6345.17 | 630/450 SDR17 ISO S-8 | 27.800 | 630 | 450 | 37,4 | 26,7 | 290 | 133 | 50 |
| 630/500 | 70.319.6350.17 | 630/500 SDR17 ISO S-8 | 21.000 | 630 | 500 | 37,4 | 29,7 | 250 | 109,5 | 70 |
| 400/225 | 70.319.4022.11 | 400/225 SDR11 ISO S-5 | 11.200 | 400 | 225 | 36,3 | 20,5 | 250 | 99 | 50 |
| 400/250 | 70.319.4025.11 | 400/250 SDR11 ISO S-5 | 11.600 | 400 | 250 | 36,3 | 22,7 | 230 | 100 | 50 |
| 400/315 | 70.319.4031.11 | 400/315 SDR11 ISO S-5 | 8.600 | 400 | 315 | 36,3 | 28,6 | 190 | 89 | 50 |
| 400/355 | 70.319.4035.11 | 400/355 SDR11 ISO S-5 | 5.900 | 400 | 355 | 36,3 | 32,2 | 170 | 91 | 50 |
| 450/250 | 70.319.4525.11 | 450/250 SDR11 ISO S-5 | 10.000 | 450 | 250 | 40,9 | 22,7 | 263 | 102 | 50 |
| 450/280 | 70.319.4528.11 | 450/280 SDR11 ISO S-5 | 17.000 | 450 | 280 | 40,9 | 25,4 | 250 | 116 | 40 |
| 450/315 | 70.319.4531.11 | 450/315 SDR11 ISO S-5 | 14.700 | 450 | 315 | 40,9 | 28,6 | 235 | 107 | 50 |
| 450/355 | 70.319.4535.11 | 450/355 SDR11 ISO S-5 | 9.500 | 450 | 355 | 40,9 | 32,2 | 200 | 94 | 50 |
| 450/400 | 70.319.4540.11 | 450/400 SDR11 ISO S-5 | 10.000 | 450 | 400 | 40,9 | 36,3 | 180 | 99 | 50 |
| 500/315 | 70.319.5031.11 | 500/315 SDR11 ISO S-5 | 21.800 | 500 | 315 | 45,4 | 28,6 | 270 | 113 | 50 |
| 500/355 | 70.319.5035.11 | 500/355 SDR11 ISO S-5 | 16.900 | 500 | 355 | 45,4 | 32,2 | 250 | 113 | 50 |
| 500/400 | 70.319.5040.11 | 500/400 SDR11 ISO S-5 | 15.000 | 500 | 400 | 45,4 | 36,3 | 200 | 97,5 | 50 |
| 500/450 | 70.319.5045.11 | 500/450 SDR11 ISO S-5 | 16.200 | 500 | 450 | 45,4 | 40,9 | 190 | 106 | 50 |
| 560/400 | 70.319.5640.11 | 560/400 SDR11 ISO S-5 | 27.000 | 560 | 400 | 50,8 | 36,3 | 263 | 116 | 50 |
| 560/450 | 70.319.5645.11 | 560/450 SDR11 ISO S-5 | 17.800 | 560 | 450 | 50,8 | 40,9 | 220 | 101 | 55 |
| 560/500 | 70.319.5650.11 | 560/500 SDR11 ISO S-5 | 19.000 | 560 | 500 | 50,8 | 45,4 | 210 | 103 | 70 |
| 630/450 | 70.319.6345.11 | 630/450 SDR11 ISO S-5 | 37.000 | 630 | 450 | 57,2 | 40,9 | 300 | 150 | 50 |
| 630/500 | 70.319.6350.11 | 630/500 SDR11 ISO S-5 | 30.200 | 630 | 500 | 57,2 | 45,4 | 300 | 151 | 80 |
| 630/560 | 70.319.6356.11 | 630/560 SDR11 ISO S-5 | 25.000 | 630 | 560 | 57,2 | 50,8 | 340 | 151 | 150 |