High pressure flange DIN PN25 incl. sealing + backing ring and centerring drilled PN25 Butt-welding PE 100-RC black
High pressure flange DIN PN25 incl. sealing + backing ring and centerring drilled PN25 Butt-welding PE 100-RC black
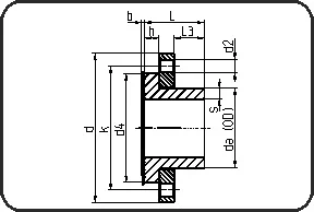
| Size | Code | Detail | Weight | da(OD) mm | s mm | L mm | L3 mm | d mm | d2 mm | d4 mm | h mm |
|---|---|---|---|---|---|---|---|---|---|---|---|
| 63 | 70.292.0063.07 | 63X8,6 SDR7,4 ISO S-3,2 | 2.830 | 63 | 8,6 | 100 | 63 | 165 | 18 | 102 | 17 |
| 75 | 70.292.0075.07 | 75X10,3 SDR7,4 ISO S-3,2 | 3.810 | 75 | 10,3 | 105 | 63 | 185 | 18 | 122 | 20 |
| 90 | 70.292.0090.07 | 90X12,3 SDR7,4 ISO S-3,2 | 4.994 | 90 | 12,3 | 105 | 60 | 200 | 18 | 137 | 21 |
| 110 | 70.292.0110.07 | 110X15,1 SDR7,4 ISO S-3,2 | 7.000 | 110 | 15,1 | 110 | 62 | 235 | 22 | 163 | 22 |
| 125 | 70.292.0125.07 | 125X17,1 SDR7,4 ISO S-3,2 | 6.580 | 125 | 17,1 | 120 | 64 | 235 | 22 | 163 | 30 |
| 140 | 70.292.0140.07 | 140X19,2 SDR7,4 ISO S-3,2 | 9.470 | 140 | 19,2 | 120 | 62 | 270 | 26 | 189 | 30 |
| 160 | 70.292.0160.07 | 160X21,9 SDR7,4 ISO S-3,2 | 12.600 | 160 | 21,9 | 120 | 60 | 300 | 26 | 219 | 30 |
| 180 | 70.292.0180.07 | 180X24,6 SDR7,4 ISO S-3,2 | 13.800 | 180 | 24,6 | 120 | 60 | 300 | 26 | 219 | 30 |
| 200 | 70.292.0200.07 | 200X27,4 SDR7,4 ISO S-3,2 | 19.400 | 200 | 27,4 | 135 | 64 | 360 | 26 | 279 | 39 |
| 225 | 70.292.0225.07 | 225X30,8 SDR7,4 ISO S-3,2 | 17.700 | 225 | 30,8 | 135 | 64 | 360 | 26 | 279 | 39 |
| 250 | 70.292.0250.07 | 250X34,8 SDR7,4 ISO S-3,2 | 28.400 | 250 | 34,8 | 145 | 60 | 425 | 30 | 335 | 50 |
| 280 | 70.292.0280.07 | 280X38,3 SDR7,4 ISO S-3,2 | 25.000 | 280 | 38,3 | 145 | 60 | 425 | 30 | 335 | 50 |
| 315 | 70.292.0315.07 | 315X43,1 SDR7,4 ISO S-3,2 | 41.000 | 315 | 43,1 | 195 | 100 | 485 | 30 | 395 | 57 |
| 355 | 70.292.0355.07 | 355X48,5 SDR7,4 ISO S-3,2 | 57.000 | 355 | 48,5 | 205 | 100 | 555 | 33 | 452 | 63 |
| 400 | 70.292.0400.07 | 400X54,7 SDR7,4 ISO S-3,2 | 170.000 | 400 | 54,7 | 220 | 102 | 620 | 36 | 509 | 70 |
| 450 | 70.292.0450.07 | 450X61,5 SDR7,4 ISO S-3,2 | 161.000 | 450 | 61,5 | 245 | 104 | 730 | 36 | 619 | 83 |
| 500 | 70.292.0500.07 | 500X68,3 SDR7,4 ISO S-3,2 | 121.000 | 500 | 68,3 | 245 | 101 | 730 | 36 | 619 | 86 |
| 560 | 70.292.0560.07 | 560X76,5 SDR7,4 ISO S-3,2 | 268.000 | 560 | 76,5 | 260 | 102 | 845 | 39 | 726 | 90 |