Diaphragm Valve Pneumatic double effective impulse EPDM/PTFE diaphragm Butt + IR + HPF-welding PVDF UHP natural
Diaphragm Valve Pneumatic double effective impulse EPDM/PTFE diaphragm Butt + IR + HPF-welding PVDF UHP natural
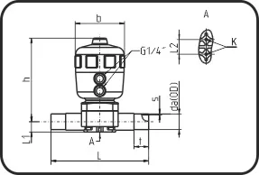
| Size | Code | Detail | Weight | da(OD) mm | s mm | L mm | L1 mm | L2 mm | h mm |
|---|---|---|---|---|---|---|---|---|---|
| 20 | 35.341.2020.21 | 20 - SDR21 MOP 10 bar | 0.672 | 20 | 1,9 | 133 | 16,5 | 24,5 | 170 |
| 25 | 35.341.2025.21 | 25 - SDR21 MOP 10 bar | 0.770 | 25 | 1,9 | 144 | 16,5 | 24,5 | 170 |
| 32 | 35.341.2032.21 | 32 - SDR21 MOP 10 bar | 1.400 | 32 | 2,4 | 154 | 20,5 | 24,5 | 175 |
| 40 | 35.341.2040.21 | 40 - SDR21 MOP 10 bar | 4.060 | 40 | 2,4 | 193 | 25,5 | 44 | 273 |
| 50 | 35.341.2050.21 | 50 - SDR21 MOP 10 bar | 4.005 | 50 | 3 | 194 | 32 | 44 | 273 |
| 63 | 35.341.2063.21 | 63 - SDR21 MOP 10 bar | 4.436 | 63 | 3 | 224 | 38,5 | 44 | 277 |