Restrained Fitting injection moulded Butt + IR + HPF-welding PVDF natural
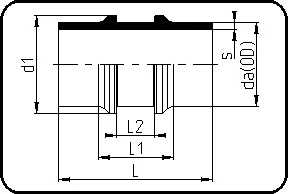
| Size | Code | Detail | Weight | da(OD) mm | s mm | L mm | L1 mm | L2 mm | d1 mm |
|---|---|---|---|---|---|---|---|---|---|
| 90 | 30.028.0090.33 | 90X2,8 SDR33 ISO S-16 | 0.333 | 90 | 2,8 | 150 | 75 | 40,5 | 104 |
| 110 | 30.028.0110.33 | 110X3,4 SDR33 ISO S-16 | 0.524 | 110 | 3,4 | 150 | 77 | 41 | 127 |
| 125 | 30.028.0125.33 | 125X3,9 SDR33 ISO S-16 | 0.620 | 125 | 3,9 | 160 | 98 | 60,5 | 143 |
| 140 | 30.028.0140.33 | 140X4,3 SDR33 ISO S-16 | 0.826 | 140 | 4,3 | 159 | 100 | 60,5 | 159 |
| 160 | 30.028.0160.33 | 160X4,9 SDR33 ISO S-16 | 1.040 | 160 | 4,9 | 160 | 100 | 60 | 180 |
| 32 | 30.028.0032.21 | 32X2,4 SDR21 ISO S-10 | 0.057 | 32 | 2,4 | 120 | 70 | 31,5 | 40,5 |
| 63 | 30.028.0063.21 | 63X3,0 SDR21 ISO S-10 | 0.197 | 63 | 3 | 120 | 68 | 30,5 | 71 |
| 90 | 30.028.0090.21 | 90X4,3 SDR21 ISO S-10 | 0.420 | 90 | 4,3 | 150 | 75 | 40,5 | 104 |
| 110 | 30.028.0110.21 | 110X5,3 SDR21 ISO S-10 | 0.630 | 110 | 5,3 | 150 | 77 | 41 | 126 |
| 125 | 30.028.0125.21 | 125X6,0 SDR21 ISO S-10 | 0.853 | 125 | 6 | 160 | 98 | 60,5 | 143 |
| 140 | 30.028.0140.21 | 140X6,7 SDR21 ISO S-10 | 1.050 | 140 | 6,7 | 159 | 100 | 60,5 | 159 |
| 160 | 30.028.0160.21 | 160X7,7 SDR21 ISO S-10 | 1.340 | 160 | 7,7 | 158 | 100 | 60 | 178 |