Code: 242.15

Diaphragm Valve manually controlled EPDM/PTFE diaphragm Flange connection DIN PP Pure grey

products/242.15 2.webp

Diaphragm Valve manually controlled EPDM/PTFE diaphragm Flange connection DIN PP Pure grey

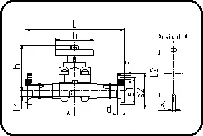
Size Code Detail Weight da(OD) mm s1 mm s2 mm L mm L1 mm L2 mm d mm h mm
20 72.242.1520.11 20 - MOP 10 bar 0.949 20 65 95 220 17 24,3 12 100
25 72.242.1525.11 25 - MOP 10 bar 1.116 25 75 108 240 17 24,3 12 100
32 72.242.1532.11 32 - MOP 10 bar 1.475 32 85 115 250 21 24,3 16 107
75 72.242.1575.11 75 - MOP 10 bar 7.865 75 145 187 375 25 230 18 254