Stub Flange JIS short spigot injection moulded Butt-welding PPR grey
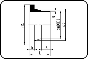
| Size | Code | Detail | Weight | da(OD) mm | s mm | L mm | L3 mm | d3 mm | d4 mm | h mm |
|---|---|---|---|---|---|---|---|---|---|---|
| 20 | 11.012.2020.11 | 20X1,9 SDR11 ISO S-5 | 0.016 | 20 | 1,9 | 52 | 30 | 27 | 45 | 7 |
| 25 | 11.012.2025.11 | 25X2,3 SDR11 ISO S-5 | 0.031 | 25 | 2,3 | 52 | 25 | 33 | 58 | 9 |
| 32 | 11.012.2032.11 | 32X2,9 SDR11 ISO S-5 | 0.040 | 32 | 2,9 | 50 | 25 | 40 | 68 | 10 |
| 40 | 11.012.2040.11 | 40X3,7 SDR11 ISO S-5 | 0.061 | 40 | 3,7 | 52 | 24 | 50 | 78 | 11 |
| 50 | 11.012.2050.11 | 50X4,6 SDR11 ISO S-5 | 0.075 | 50 | 4,6 | 53 | 22 | 61 | 84 | 12 |
| 63 | 11.012.2063.11 | 63X5,8 SDR11 ISO S-5 | 0.115 | 63 | 5,8 | 50 | 20 | 75 | 99 | 14 |
| 75 | 11.012.2075.11 | 75X6,8 SDR11 ISO S-5 | 0.180 | 75 | 6,8 | 50,5 | 18 | 89 | 119 | 16 |
| 90 | 11.012.2090.11 | 90X8,2 SDR11 ISO S-5 | 0.285 | 90 | 8,2 | 82 | 40 | 105 | 129 | 17 |
| 110 | 11.012.2110.11 | 110X10,0 SDR11 ISO S-5 | 0.410 | 110 | 10 | 82 | 38 | 125 | 154 | 18 |
| 125 | 11.012.2125.11 | 125X11,4 SDR11 ISO S-5 | 0.509 | 125 | 11,4 | 82 | 38 | 132 | 154 | 25 |
| 140 | 11.012.2140.11 | 140X12,7 SDR11 ISO S-5 | 0.740 | 140 | 12,7 | 92 | 37 | 155 | 185 | 25 |
| 160 | 11.012.2160.11 | 160X14,6 SDR11 ISO S-5 | 0.940 | 160 | 14,6 | 92 | 38 | 175 | 212 | 25 |
| 200 | 11.012.2200.11 | 200X18,2 SDR11 ISO S-5 | 1.935 | 200 | 18,2 | 114 | 40 | 232 | 268 | 32 |
| 225 | 11.012.2225.11 | 225X20,5 SDR11 ISO S-5 | 1.900 | 225 | 20,5 | 113 | 52 | 235 | 265 | 32 |
| 250 | 11.012.2250.11 | 250X22,7 SDR11 ISO S-5 | 3.260 | 250 | 22,7 | 130 | 58 | 285 | 320 | 35 |
| 280 | 11.012.2280.11 | 280X25,4 SDR11 ISO S-5 | 3.021 | 280 | 25,4 | 128 | 66 | 288 | 320 | 35 |
| 315 | 11.012.2315.11 | 315X28,6 SDR11 ISO S-5 | 4.460 | 315 | 28,6 | 136 | 65 | 335 | 370 | 35 |