Homepage
Corporate
About Us
Mission & Vision
Why Us
Product Groups
Agruchem
Agruline
Semi-finished products
Purad
Customized Parts
Concrete Protection
Geomembranes
Welding Technology
Current
News
Blogs
Documents
Catalogs
Certificates
Contact
en
Türkçe
Homepage
Corporate
About Us
Mission & Vision
Why Us
Product Groups
Agruchem
Agruline
Semi-finished products
Purad
Customized Parts
Concrete Protection
Geomembranes
Welding Technology
Current
News
Blogs
Documents
Catalogs
Certificates
Contact
Homepage
Corporate
About Us
Mission & Vision
Why Us
Product Groups
Agruchem
Agruline
Semi-finished products
Purad
Customized Parts
Concrete Protection
Geomembranes
Welding Technology
Current
News
Blogs
Documents
Catalogs
Certificates
Contact
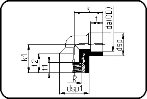
Code: 087
Transition Elbow 90° with metal female thread class1-10bar class2-8bar Socket-welding PPR grey
Home
Product Groups
Agruchem
PP Industrial Piping System
Fittings for Socket Welding
Code: 087
Transition Elbow 90° with metal female thread class1-10bar class2-8bar Socket-welding PPR grey
Print PDF
Agruchem
PP Industrial Piping System
Fittings for Socket Welding
Code: 087
Size
Code
Detail
Weight
da(OD) mm
20
11.087.0020.07
20X1/2" - MOP 20 bar
0.080
20
25
11.087.0025.07
25X3/4" - MOP 20 bar
0.113
25
32
11.087.0032.07
32X1" - MOP 20 bar
0.207
32