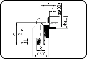
Transition Elbow 90° with metal male thread class1-10bar class2-8bar Socket-welding PPR grey
Transition Elbow 90° with metal male thread class1-10bar class2-8bar Socket-welding PPR grey
| Size | Code | Detail | Weight | da(OD) mm |
|---|---|---|---|---|
| 20 | 11.086.0020.07 | 20X1/2" - MOP 20 bar | 0.098 | 20 |