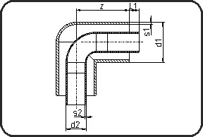
Bend 90° injection moulded+assembled Staggered+E-fusion-welding HDPE/PVDF
| Size | Code | Detail | Weight | s1 mm | s2 mm | z mm | L1 mm | d1 mm | d2 mm |
|---|---|---|---|---|---|---|---|---|---|
| 90/32 | 84.201.9032.72 | 90/32 SDR17/21 | 0.500 | 5,4 | 2,4 | 130 | 50 | 90 | 32 |
| 125/63 | 84.201.1263.72 | 125/63 SDR17/21 | 1.400 | 7,4 | 3 | 165,5 | 50 | 125 | 63 |
| 160/90 | 84.201.1690.73 | 160/90 SDR17/33 | 2.300 | 9,5 | 2,8 | 191,5 | 50 | 160 | 90 |
| 200/110 | 84.201.2011.73 | 200/110 SDR17/33 | 2.530 | 11,9 | 3,4 | 223,5 | 50 | 200 | 110 |
| 280/160 | 84.201.2816.73 | 280/160 SDR17/33 | 7.770 | 16,6 | 4,9 | 340 | 50 | 280 | 160 |