Dog Bone with Connection for leakage control machined Simultaneous-welding PE 100-RC/PE 100-RC
Dog Bone with Connection for leakage control machined Simultaneous-welding PE 100-RC/PE 100-RC
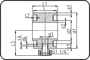
| Size | Code | Detail | Weight | s1 mm | s2 mm | L mm | L1 mm | L2 mm | L3 mm | d1 mm | d2 mm | d3 mm | d4 mm |
|---|---|---|---|---|---|---|---|---|---|---|---|---|---|
| 160/90 | 82.140.1690.37 | 160/90 SDR33/17 | 1.820 | 4,9 | 5,4 | 100 | 112 | 15 | 112 | 160 | 90 | 24 | 10 |
| 160/90 | 82.140.1690.31 | 160/90 SDR33/11 | 1.900 | 4,9 | 8,2 | 100 | 112 | 15 | 112 | 160 | 90 | 24 | 10 |
| 315/200 | 82.140.3120.31 | 315/200 SDR33/11 | 5.020 | 9,7 | 18,2 | 100 | 112 | 15 | 190 | 315 | 200 | 24 | 10 |
| 355/250 | 82.140.3525.31 | 355/250 SDR33/11 | 6.000 | 10,9 | 22,8 | 100 | 112 | 15 | 210 | 355 | 250 | 24 | 10 |